TOC | Previous Section: Appendix L | Next Section: Appendix N
History of Communications-Electronics in the United States Navy, Captain Linwood S. Howeth, USN (Retired), 1963, pages 589-603:


Appendix  M.  U.S.  Naval  Radio  Equipment


1.  TRANSMITTERS

SPARK  TRANSMITTERS

The Navy list of type numbers assigned radio apparatus issued in September 1923 (RE 15A 105B) contains numerous types of spark transmitters. This was resultant of the wartime contracts with various manufacturers who provided equipments built to Navy specifications but which varied in construction and therefore had non-interchangeable components. Following the end of the war efforts were made to standardize installations and the following 500-cycle quenched gap spark transmitters were in general use on types of ships as indicated:
 
Power
(kw.)
    Type
number
    Frequency
range (kc.)
    Number of
frequencies
    Type of ship
 
---    SE 3531    1,700-2,400    ---    Auxiliary set for naval vessels
---    SE 3612*    1,700-2,400    ---          Do.
 ½    CM 296    1,700-2,400    ---    Auxiliary for ships fitted with 2 and 5 kw. arc transmitters
 ½    SE 606    500-1,000    2    Shipping Board
 ½    CE 606A    500-705    2          Do.
 ½    CE 859    315-1,000    6    Submarines and tugs
 ½    CR 654A    315-1,000    6          Do.
 ½    CE 827    315-1,000    6          Do.
  1    CE 861    315-1,000    6    Mine sweepers
  1    SE 1060    500-1,000    3    Shipping Board
  1    SE 1075    315-1,000    6    Submarine chasers
  1    CE 1221    315-1,000    6          Do.
  2    CM 306    ---    8    Air Stations
  2    CM 305    150-1,000    8    Naval Vessels
  2    CL 342    150-1,000    8          Do.
  2    CL 344    150-1,000    8          Do.
  2    CL 345    150-1,000    8          Do.
  2    CR 655    150-1,000    8          Do.
  2    CM 1080    500-1,000    3    Shipping Board
  2    SE 1205    500-1,000    3          Do.
  2    CM 307    150-1,000    8    Battleships (secondary), destroyers, tenders and auxiliaries
  5    CR 1125    95-1,000    9          Do.
  5    CM 858    95-1,000    9          Do.
  5    SE 1210    95-1,000    9          Do.
  5    SE 1211    95-1,000    9          Do.
10    CL 343    95-400    8    Battleships
10    CL 304    95-400    8          Do.
*Same as SE 3531 except for voltage applied motor generator.

All 2, 5 and 10 kw. spark transmitters on combatant ships were equipped with the model BC motor buzzer components which could be substituted for the gaps by a simple switching arrangement. This motor buzzer set consisted of a constant-speed motor-driven brass wheel, with its periphery divided by 10 equally spaced insulating segments, in contact with a brush. The wheel performed the functions of interrupting the direct current and forming the spark gap. It provided less radiation and interference, and with its normal transmitting range of 50 miles, was used for intrafleet communications. The model BD motor buzzer transmitter was developed to provide similar equipment on combatant ships not fitted with 2, 5, or 10 kw. spark sets. Later these were replaced by the auxiliary spark transmitters SE 3531 and 3612 which were developed to provide intrafleet communications in the frequency band 1700-2400 kc. in order to permit simultaneous transmission and reception of intrafleet and long-distance messages.

ARC  TRANSMITTERS

The arc transmitters used by the Navy were developed by the Federal Telegraph Company and were based upon the early Poulsen patents. At the time the Navy became interested in the arc as a transmitter the Federal Telegraph Company had developed and built them in sizes up to 30 kw. During the war, with Navy support and guidance, they were able to successively develop them in power ratings of 100, 200, 350, 500 and 1,000 kw. These equipments were reliable and simple of operation. Until 1922 their emissions were mushy and consisted of two separate waves and the harmonics thereof at which time the undesired emissions were eliminated by the installation of a uniwave key and a current transforming circuit. The following arc transmitters were used by the Navy:
 
Power (kw.)    Type
Number
    Arc
voltage
    Use    Signalling
method
 
    2    K    350    Naval ships    Chopper, back shunt
    2    Q    500    Merchant ships          Do.
    2    X    500    Naval ships    Chopper, ignition key
    5    ---    500    Naval ships          Do.
  20    CT 1038    500          Do.    Uniwave key
  30    CT 1042    500          Do.          Do.
  20    CT 1201    500          Do.          Do.
100    ---    500    Shore stations          Do.
200    ---    500          Do.          Do.
500    ---    500          Do.          Do.
Figure 1
The basic components of the arc transmitter consisted of the following:

A source of direct current of suitable voltage.
An arc converter.
An antenna loading inductance (Helix.) and frequency changer.
An antenna and ground system.
A signalling device.
Ancilliary and control devices.

The direct current was provided by conventional motor-generator with the necessary control to supply direct current at the required voltage.
    The arc converter consisted of a water-cooled bronze chamber in which the arc burned in hydrogen gas between a carbon electrode and a water-cooled copper one. Above and below this chamber there were two series field coils surrounding and energizing the two poles of the magnetic circuit. These poles projected into the chamber, one on each side of the arc to provide a magnetic blow-out which blew the arc flame to one side.
    The frequency of the emitted signal was controlled by varying the antenna loading inductance by a frequency changing component.
    The lower power arcs were equipped with a chopper which interrupted the energy delivered to the antenna and caused the radiation of interrupted continuous waves which permitted reception by stations equipped with damped wave receivers.
    One of the undesirable features of the arc transmitter was the emission of signals at two differing frequencies. This condition was caused by the compensation method of keying wherein the transmitting key controlled a specific amount of antenna inductance by direct shortening of one or more turns of the antenna loading coil. This resulted in the radiation of one frequency with the key closed and another when open. This was eliminated by the development of the uniwave key by Lt. W. A. Eaton, USN.
    The relay key was actuated by two solenoids which were controlled by a double relay which in turn was controlled by an ordinary Morse key. It consisted of eight pairs of contacts with one contact of each pair stationery. Four pairs were used for making and breaking the absorbing circuit and four pairs for making and breaking the antenna circuit. Each pair of contacts was bridged by a noninductive resistance and the four contacts of each of the two groups were connected in series. When the antenna circuit contacts were open four of the resistance units were in series with the antenna and when the absorbing circuit was open four of these units were in series with the absorbing circuit. The generated energy was dissipated by the absorbing circuit during open key periods. Figure 2
    The other undesirable feature, that of the radiated harmonics and the mushy sound of the signal was eliminated by the addition of a current-transforming circuit devised by Radio Aid W. A. Hallborg.

THE  ALEXANDERSON  ALTERNATOR

In 1915 Mr. E. F. W. Alexanderson of the General Electric Co. was successful in developing in alternator which generated continuous waves at very low frequency. This development was based upon earlier ideas of Dr. Reginald Fessenden. It consisted of a two-phase alternating current induction motor driving a high-speed generator through a gear system which increased the speed of the generator. The rotor of this generator was of steel and contained a number of slots on its periphery which were set up which induced alternating currents in the 64 armature coils wound in slots in the stator. These coils were coupled to a common secondary which in turn was directly connected to the antenna and ground systems. One of the stator coils was connected to an independent circuit through a mercury vapor rectifier and the current induced in it was used for operating the speed regulator. Accurate speed regulation was obtained through the use of choke coils which changed the voltage supply of the induction motor and thereby its speed. Since the radiated frequency is a function of alternator speed any desired frequency of 25 kc. or less could be obtained.
    Keying was accomplished by opening a low, direct current powered magnetic amplifying circuit inductively coupled to the secondary which when closed threw the system out of resonance.
    The antenna used with the alternator was also developed by Alexanderson and was multiple tuned by a number of spaced down leads each connected to its own loading coil and ground system, thereby greatly increasing the antenna efficiency.

VACUUM  TUBE  TRANSMITTERS 

The early vacuum tube or electronic transmitters were designed for any one or all of the following types of emission:

Continuous wave
Interrupted continuous wave (modulation of continuous wave of an audio frequency).
Telephony (modulation of continuous waves by voice).

The first satisfactory vacuum tube transmitter used in the Navy was the Western Electric Co. CW 938, a component of the CW 936 short range radio telephone equipment.
    Following the war other vacuum tube sets were developed but none of the early ones were entirely satisfactory. In 1922, in an effort to eliminate the broad band spark, alternating current vacuum tube sets were designed by Navy personnel utilizing the power and tuning components of spark transmitters.
    The following is a list of electronic transmitters installed in ships and naval short stations during the period 1917-25.
 
Power
(watts)
    Type
Number
    Frequency
(kc.)
    Emissions    Use
 
5    CW 9382    870-1270    Voice modulation 1    General.
5    TA    1500-2310    CW    Intrafleet.
5    TB2    610, 728, 822, 864 and 1027    Voice modulation    Fire control.
150    TC    588, 592, 630, 708 and 741    CW, kw, voice modulation    Battleships for aircraft spotting.
1,500    TD    109, 167, 308, 333, 375, 500 and 592    do.    Airstations.
300    TE    with antenna 308, 375, 444, 500 and 592.
      with loop 308 and 444
    do.    Submarines.
300    TF    210, 250, 288, 308, 444, 500 and 592    do.    Scout cruisers, Submarines and aircraft tenders.
300    TG    308, 375, 444, 500 and 592    do.    Eagle boats.
6,000    TL3    200-600    ---    Battleships.
100    TM3    ---    ---    Submarines.
6,000    TN3    ---    CW    Shore stations.
100    TO3    500-1500    CW, Voice modulation    Battleships.
NOTES.  Models TH, TJ and TK were not placed under production. The designation TI was not used.
1The CW 938 was later modified to include ICW emission.
2These equipments were transceivers.
3These transmitters were originally spark transmitters modified into alternating current tube transformers.

The model TA transmitter was of Navy design. Only a few were constructed at the Washington Navy Yard.
    Models TC, TD, TE, TF and TG were basically designed by the General Electric Co. but most of these equipments utilized the Navy designed antenna break relay.
    Since all of these transmitters were basically of the same design the model TC is described. This transmitter was provided with the three normal types of emission and was designed basically for communications between battleships and their aircraft. Its reliable ranges were 50 miles for CW, 10 miles for ICW and 5 miles for telephony. It utilized six 75-watt vacuum tubes, three as oscillators, two as modulators and one as an audio amplifier. The antenna coupling inductance and variometer formed the secondary and the plate and grid inductances formed the secondary.
    The transmitter was arranged to emit on either low, medium and high power. The constants of the antenna circuit determined the frequency. The controls of the transmitter were located on the front of the panel and included a frequency-changing switch, a signal switch, the power switch and the antenna variometer.

2.  RECEIVING  EQUIPMENT

Receiving equipment during the period 1912-25 included all apparatus between the receiving antenna switch and the ground connection and normally consisted of the following separately packaged units: receivers, audio and radio-auditio-frequency amplifiers, vacuum tube detectors, radiofrequency drivers and wavemeters. Some installations were equipped with acceptor-rejector circuits or other means of increasing selectivity.
    Unlike later-day practice receivers of this period normally consisted of the antenna or primary circuit used for tuning the antenna to resonance with the frequency of the signal to be received, the secondary circuit, tuned to resonance with the primary thus transferring the maximum amount of current to the detector circuit. Some of these earlier receivers contained a simple crystal or other nonvacuum tube detector. The normal practice in using vacuum tube detectors and amplifiers was to connect these units to the receiver by external binding posts.
    In later units, the detecting and amplifying units were packaged together.

RECEIVERS

Receivers normally used by naval ship and shore stations (excluding direction finder stations) during the period 1912-1928 included the following:
 
Type number (Model)    Frequency (kc.)          Use
 
IP 76    ---    General utility
A    60-600          Do.
B    30-300          Do.
C    1,200-3,000    Landing force
SE 95    30-300    General utility
SE 143    100-1,200          Do.
CN 208    100-1,200          Do.
CN 240    30-300          Do.
CM 294    96-1,500          Do.
SE 889    30-300          Do.
SE 952    50-600          Do.
SE 1220    43-1,000          Do.
CW 1313    610, 728, 822, 864, 1027    Battleships, fire control
CG 1323    308, 375, 444, 500, 592    Battleships, aircraft spotting
SE 1420    43-1,200    General utility
SE 1530    10-50    Shore stations
SE 1899    12-300    General utility
SE 3649    12-375    Battleships
RA    16-1200    Submarines
RB    10-50    Shore stations
RC    ---    Shore stations
RD    12-1200    Destroyers
RE    10-100    General service
RF    75-1,000    General service
RG    1,000-20,000    General service
RH    200-650    General service
RI    40-1,200    General service
RK    12-375    General service
RO    15-1,000/300-620/1,000-22,000    "S" Class submarines
RQ    15-1,000/1,000-22,000    Minesweepers
RS    3,750-22,000    Shore stations
RT    1,000-30,000    General service
RU    250-1,800    Fighting planes
RAA    10-1,000    AC superheterodyne-General service
RAB    1,0000-30,000    General service-AC superheterodyne
RAC    12-80    Shore stations
Figure 3
Figure 4
Figure 5
Figure 6
Figure 7
Figure 8
Figure 9
Figure 10
Figure 11
Figure 12


ACCEPTOR-REJECTOR  CIRCUIT

    The acceptor-rejector circuit, obtained from the Royal Navy, was used for two purposes: first, to reject undesired signals when using a broadly tuned receiver, and secondly, to make it possible to use a single antenna for dual reception of to distinctly separate frequencies.
    For the first purpose the following circuit was used:

    The inductance L was adjusted in such a manner that the resultant inductance and capacity of this portion of the circuit was exactly in resonance with the incoming signal with the nodal point exactly at the antenna connection to the Condenser C. When this condition obtains there is zero potential between the plates of this condenser. When the acceptor circuit, which was the primary of the receiver, was adjusted to the desired frequency incoming signals of that frequency set up oscillations in that circuit. Undesired signals flowed through the untuned rejector to ground.
    For the second purpose two acceptor-rejector circuits were used in parallel as shown below:
Two different nodal points were electrically established. In order to obtain these an additional circuit tuned to the first desired frequency was inserted in series with the antenna circuit and the acceptor-rejector circuit for the first desired frequency. This produced a nodal point in the first acceptor-rejector circuit at exactly the same point as before. By adjusting the variable inductance L' the nodal point for the second acceptor-rejector circuit was established at the same relative position in the second acceptor-rejector circuit. Both acceptor circuits were then tuned to the specific frequency desired for each and then coupled to their receivers.

3.  BALANCED  COLLECTOR  SYSTEMS

In the endeavor to reduce the static encountered in the reception of long-distance point-to-point circuits the Navy experimented with several forms of balanced antenna systems. Basically all these systems utilized diametrically opposing antennas erected on a line of bearing with the station to be received. Various combinations of loop and long straight wire antennas, the latter being either elevated, buried or submerged in fresh or salt water, were used. The basic principle of all these systems was the reduction of static by the out of phase relationship between the two opposing portions of the systems thereby balancing out a considerable portion of the static emanating from directions differing from that of the desired signals.

THE  ROGERS  UNDERGROUND  COLLECTOR  SYSTEM

The simplest of these various balanced systems was that of Mr. J. H. Rogers who perfected the first successful underground systems for the reception of long-distance radio signals. The penetration of the earth by a radio wave is a function of its frequency and the signal strengths as received on an underground collector are stronger at lower frequencies. For example, with the same antenna radiation the received signal strength at 50 kc. is 12 times that of a signal emitted at 500 kc. Further benefit is obtained by use of the underground collector because static generated by local atmospheric disturbances does not penetrate the earths surface to any appreciable extent. The schematic diagram of the Rogers' system is shown in Figure M-5.

THE  TAYLOR  BALANCE  SYSTEM

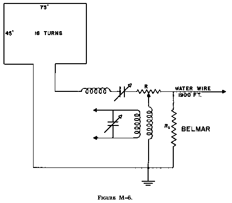
The Taylor balance system consisted of a grounded loop with inductance and variable capacitance and resistance in series balanced against an underground wire which was connected to the other side of the resistance. At this same connection a variable resistance was connected to ground to form a path for shunting static. The primary inductance of the receiving circuit was variably connected to the first-mentioned resistance through variable capacitance and grounded. The schematic diagram of this system, which was used at Belmar, N.J. and Chatham, Mass., during World War I is shown in Figure M-6.

THE  WEAGANT  LOOP  SYSTEM

This system was developed by Dr. Roy A. Weagant, Chief Engineer of the Marconi Wireless Telegraph Co. of America, with assistance provided by Mr. George H. Clark who was detailed by the Navy for that purpose. It consists of two opposing single-turn loops whose extreme ends are exactly one-half a wavelength (of the signal to be received) apart. The two loops are coupled to the primary of the detector circuit by means of a triple-winding transformer in such a manner as to keep the static balanced out. This system, shown schematically in Figure M-7, was not used by the Navy but was universally hailed as the eliminator of static. The Radio Corp. of America utilized it on some of their circuits.

THE  ALEXANDERSON  BARRAGE  SYSTEM

This extremely directional system utilized two opposing, well insulated, wires each one-quarter wave in lengths of signal to be received. These wires extended horizontally, and could be underground, submerged in water, on the ground, or elevated. To eliminate interference from a nearby station the wires had to be placed on or very close to the line of bearing between the receiving and interfering stations and between them. It was developed by Mr. E. F. W. Alexanderson of the General Electric Co., famed for the development of the alternator bearing his name. He was provided with all the information possessed by naval engineers concerning the several antistatic systems and worked in close con junction with them in its development. The schematic diagram is shown in Figure M-8.

THE  PROCTOR  LOOP  COLLECTOR  SYSTEM

The Proctor loop collector system consisted of two diametrically opposed loops of three turns each, feet high and 70 feet long, one of which had a variable amount of inductance in series with it and the other a variable amount of capacitance. By varying these it was possible to place the two loops out of phase. This system, which was used at Bar Harbor for transatlantic reception, is shown schematically in Figure M-9.

MULTIPLEX  COLLECTOR  SYSTEMS--THE  AUSTIN  MULTIPLEX  COLLECTOR  SYSTEM

Dr. L. W. Austin of the U.S. Naval Radio Laboratory designed several balanced antenna systems during the summer of 1918. The most important of these, the multiplex system, permitted coupling of as many as four detectors at varying frequencies to a single antenna thus allowing the simultaneous reception of four different stations. However, once tuned it had to be left untouched because the change of one circuit affects the tuning of all others. The schematic diagram of this system is shown in Figure M-10. It was used for transcontinental reception.

THE  TAYLOR-YOUNG  MULTIPLE  RECEPTION  CIRCUIT

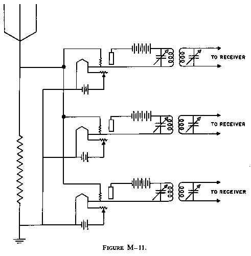
The Taylor-Young multiple reception circuit was the first of this type of circuit to use vacuum tubes. It was much simpler to operate than the acceptor-rejector circuit and was not limited to dual reception. Frequencies could be shifted by any of the several operators without interfering with the tuning of the other primary circuits coupled to a single antenna. Additionally, this circuit, shown schematically in Figure M-11, reduced feedback in the reception of continuous waves. The vacuum tube in each of the primary circuits acted as a radiofrequency amplifier and coupler permitting energy to travel only in one direction, from antenna to primary coupling coil.

4.  THE  RADIO  DIRECTION  FINDER

The first satisfactory radio direction finder used by the U.S. Navy was the League Island (Philadelphia, Pa.) adaptation of a system devised by Dr. F. A. Kolster who utilized a frequency meter, also developed by him, in conjunction with a coil antenna which could be rotated through 360° of azimuth. The inductance coil of a wavemeter is replaced by the above-mentioned rotatable coil antenna. When the plane of the coil is parallel with the direction of wave travel maximum signal intensity obtains. Conversely, when the plane of the coil is normal to the direction of wave travel minimum signal intensity exists. Since the coil was rotatable through 360° it produced two maxima 180° apart, and, likewise, two mimima separated by the same amount.
    Following the Navy's purchase of rights under the Kolster patents the SE 74 radio direction finder was constructed and installed in battleships and later modified by the addition of the SE 75 compensating condenser. There were no provisions for amplifying the signal in this equipment nor no ready means of determining which of the two nulls indicated the correct target bearing. The only method available to decide this was to steam along the line of bearing and determine whether there was an increase or decrease on the strength of the transmitted signal.
    It was discovered that the Kolster apparatus did not give the desired zone of minimum signal or null because the coil functioned additionally as an open oscillator and the induced current caused the zone of silence or null to be obscured by a residual signal of almost constant intensity. In order to eliminate this condition Mr. H. A. Ballentine, Radio Aid, League Island Navy Yard suggested the addition of a compensating condenser between grid and ground in order to artificially restore the circuit to balance. This condenser required thorough shielding, was of the continuously variable air-dielectric type and had a very small capacity at zero setting. Using this compensating condenser and by means of careful tuning a null could be obtained which was much easier to detect than the maximum signal strength.
    During early 1916, Dr. L. W. Austin of the U.S. Navy Radio Laboratory studied the problem in an effort to determine a method of discriminating between either the two maxima or two minima positions. Utilizing the knowledge that when the direction-finder coil was in one position in line with the direction of wave travel the current induced in it flowed in one direction and that when it was rotated 180° the induced current flowed in the opposite direction. He reasoned that by imposing another constant current induced into a vertical antenna by the same source the problem could be solved. Conducting experiments based on this theory he discovered that by fairly loose coupling of the two circuits the currents were additive with the coil in one direction and that they opposed each other when it was in the reversed position. If the coupling was too tight the antenna current was so much greater than the coil current that the latter had but little effect.
    A direction finder system built in accordance with specifications drawn up based on this information provides an ideal equipment since it meets the following requirements:

Spectrum search with tight coupling between antenna and coil,
Determination of general direction with loose coupling between antenna and coil (unilateral method of obtaining bearings); and,
Accurate determination of direction with antenna circuit disconnected (bilateral method of obtaining bearings).

By early 1921 the several types of components of radio direction finding equipment had been grouped into four types:

Group A, Shore Stations:
    SE 515A 6' coil, direct reading bearing dial;
    SE 1440 series receiver;
    SE 1672 compensating condenser; and the necessary ancillary apparatus.

Group B, Shore Stations:
    SE 515A 6' coil, direct reading bearing dial;
    SE 1012 receiver;
    SE 1000 or 1600 series two stage audio frequency amplifier;
    SE 1672 compensating condenser; and the necessary ancillary apparatus.

Group C, Ship Stations:
    SE 996 20" coil
    SE 1012 receiver or SE 998, receiver;
        in conjunction with CF 122 or 122A, vacuum tube detector;
    SE 999 rotary tone condenser;
    SE 997 20" coil housing; and the necessary ancillary apparatus.

Group D, Ship Stations:
    SE 1512 36" X 28" coil
    S- 1440 series receiver
    SE 1672 compensating condenser; and the necessary ancillary apparatus including a charging panel and a gyrocompass repeater.

In early 1918 the Radio Test Shop of the Washington Navy Yard designed the SE 950 aircraft direction finder receiver which was suitable for use either on a trailing wire antenna or on an aircraft direction finder coil. It had a frequency range of 250-1000 kc. and contained a two-stage audiofrequency amplifier as a component within the same package. A little later the SE 1012, with a frequency range 300-6000 kc., was designed for radio direction finder use in conjunction with the externally connected SE 1000 or 1600 series of audiofrequency amplifiers. Towards the end of 1918 and following the development of the SE 1420 neutrodyne receiver the SE 1440 autodyne receiver containing three stages of audiofrequency amplification frequency range 250-1200 kc. was developed for use with direction finders. This receiver was successively modified to include one stage of radiofrequency and two stages of audiofrequency amplification (SE 1440B) and finally to include one tuned radio stage, two transformer coupled radiofrequency stages and one detector (SE 1440C).
TOC | Previous Section: Appendix L | Next Section: Appendix N